国产乱国产乱,国产白嫩美女在线,日美韩一级片,啪啪电影院

當前位置:首頁 > 熱點新聞> 新技熱點

SOLIDWORKS教程培訓 | 吊鉤建模和渲染

SOLIDWORKS渲染有2種類型,油漆質感和磨砂質感。前者就是直接給模型定義外觀顏色,整體看起來非常光滑,另外一種就是通過定義材質來達到更真實的磨砂質感。這個不是我們今天SOLIDWORKS渲染培訓的重點,我們今天的重點是成功完成一個吊鉤建模。接下來就跟微辰三維一起用SOLIDWORKS軟件完成吊鉤建模吧:


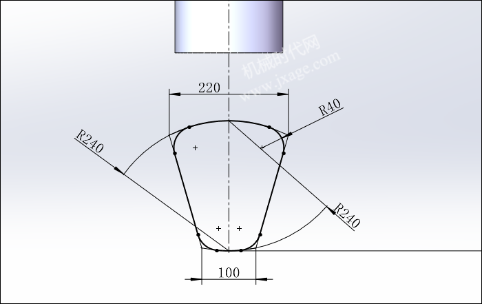
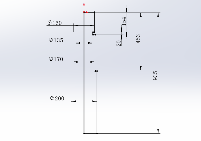
1.點擊“旋轉凸臺/基體”,在前視基準面上繪制如下圖所示的草圖,點擊勾號完成。

圖片

2.點擊“插入”-“注解”-“裝飾螺紋線”,選擇下圖所示的邊線,創建出裝飾螺紋。

圖片

3.倒角,如下圖所示。

圖片

4.倒圓角,如下圖所示。

圖片

5.創建基準面1,如下圖所示。

圖片

6.點擊“草圖繪制”,在模型的大端面上繪制如下圖所示的草圖。

圖片

7.點擊分割線,要分割的曲面選擇下圖所示的藍色面,使用上一步創建的草圖進行分割,點擊勾號完成。

圖片

8.點擊“草圖繪制”,在基準面1上繪制如下圖所示的草圖。

圖片

9.點擊“插入”-“曲面”-“平面區域”,選擇上一步創建的作為邊界實體,點擊勾號完成。

圖片

10.點擊組合曲線命令,選擇下圖所示的三條邊線進行組合。

圖片

11.點擊“草圖繪制”,在前視基準面上繪制如下圖所示的草圖。

圖片

12.點擊“插入”-“曲面”-“放樣曲面”,選擇下圖所示的兩個邊線(一個是組合曲線1,另外一個是是端面邊線),設置開始/結束約束均為“與面相切”,引導線選擇上一步創建的草圖,按照下圖進行設置。

圖片

點擊勾號完成。

圖片

13.鏡向。

圖片

14.點擊“插入”-“曲面”-“拉伸曲面”,在下圖所示的面上繪制如下圖所示的草圖。

圖片

終止條件設置為“成形到一面”,參考面選擇下圖的粉紅色面。

圖片

15.點擊“插入”-“曲面”-“填充”,選擇下圖所示的5條曲線作為修補邊界,曲率控制均設置為“相觸”,如下圖所示。

圖片

16.鏡向。

圖片

17.點擊“插入”-“曲面”-“平面區域”,選擇下圖所示的邊線(兩個半圓?。┳鳛檫吔鐚嶓w,點擊勾號完成。

圖片

18.點擊“插入”-“曲面”-“縫合曲面”,將所有的曲面進行縫合,如下圖所示。

圖片

19.創建出如下圖所示的基準面2。

圖片

20.點擊“草圖繪制”,在基準面2上繪制如下圖所示的草圖。

圖片

21.點擊“草圖繪制”,在前視基準面上繪制如下圖所示的草圖。

圖片

22.點擊“草圖繪制”,在前視基準面上繪制如下圖所示的草圖。

圖片

23.點擊“插入”-“曲面”-“放樣曲面”,選擇下圖所示的兩個草圖(一個是步驟20創建的草圖,另外一個是步驟8創建的草圖),結束約束均為“與面相切”,引導線選擇下圖所示的兩條粉紅色草圖,按照下圖進行設置。

圖片

24.點擊“插入”-“曲面”-“平面區域”,選擇下圖所示的邊線(兩個半圓?。┳鳛檫吔鐚嶓w,點擊勾號完成。

圖片

25.點擊“插入”-“曲面”-“縫合曲面”,將下圖所示的曲面進行縫合,如下圖所示。

圖片

26.點擊“插入”-“特征”-“圓頂”,選擇下圖所示的端面,設置距離值為40mm,點擊勾號完成。

圖片

27.鏡向。

圖片

28.點擊拉伸切除,選擇前視基準面作為草圖平面,繪制如下圖所示的草圖。

圖片

設置拉伸方式為“完全貫穿-兩者”,點擊勾號完成。

圖片

29.完成。

圖片


免費在線課程<<<<<<


線上課程預約<<<<<<


聯系定制課程<<<<<<


相關資訊

SOLIDWORKS2023報價 SOLIDWORKS軟件多少錢一套 SOLIDWORKS2023正版價格

如何用SOLIDWORKS干涉檢查來解決模型問題?

用SOLIDWORKS Flow Simulation計算分析空調運行1分鐘后的溫度變化

SOLIDWORKS2023價格 SW2023多少錢一套 SOLIDWORKS鈑金傳感器正版代理售價

                      国产乱国产乱 克拉玛依市| 遂川县| 广州市| 开原市| 毕节市| 安达市| 孟村| 平远县| 吕梁市| 大竹县| 南部县| 满洲里市| 大宁县| 永嘉县| 错那县| 绥棱县| 上虞市| 慈溪市| 来宾市| 温宿县| 如皋市| 张家界市| 连州市| 怀远县| 宁波市| 常州市| 扎鲁特旗| 大名县| 新竹县| 阿坝| 临高县| 疏勒县| 错那县| 温州市| 永和县| 平原县| 苏尼特右旗| 曲麻莱县| 芦山县| 贵南县| 灌南县| http://444 http://444 http://444